18V,2A,同步降压,轻载高效

High Efficiency: Up to 96%
500KHz Frequency Operation
2A Output Current
No Schottky Diode Required
4.2V to 18V Input Voltage Range
0.8V Reference
Slope Compensated Current Mode Control for Excellent Line and Load Transient Response
Integrated internal compensation
Stable with Low ESR Ceramic Output Capacitors
Over Current Protection with Hiccup-Mode
Thermal Shutdown
Inrush Current Limit and Soft Start
Available in SOT23-6
-40°C to +85°C Temperature Range
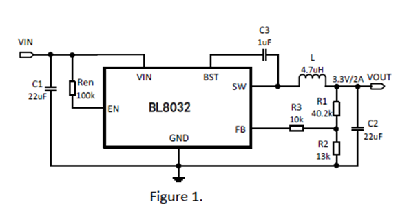
The BL8032 is a fully integrated, high-efficiency 2A synchronous rectified step-down converter. The BL8032 operates at high efficiency over a wide output current load range. This device offers two operation modes, PWM control and PFM Mode switching control, which allows a high efficiency over the wider range of the load. The BL8032 requires a minimum number of readily available standard external components and is available in a 6-pin SOT23 ROHS compliant package.